Bize e-posta

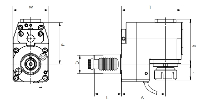
VDI radyal tahrikli kafa, ofset, DIN 5482

Satın al VDI radyal tahrikli kafa, ofset, DIN 5482

VDI radyal tahrikli kafa, ofset, DIN 5482 özellikleri

VDI radyal tahrikli kafa, ofset, DIN 5482 özellikleri

BoyutVDIColletBirBFLPTWNmRPMSoğutmaBen (rev.)
VDI30-DORER25-75-40 DIN548230ER25757140454810164286000Hayır1:1
VDI30-DORER25K-75-40 DIN548230ER25757440454810164286000Evet1:1
VDI40-DORER25-120-37 DIN548240ER2512092375371125.575604000Hayır1:1
VDI40-DORER25K-120-37 DIN548240ER2512095375371125.575604000Evet1:1
VDI40-DORER32-120-41 DIN548240ER3212092415371125.575604000Hayır1:1
VDI40-DORER32K-120-41 DIN548240ER3212095415371125.575604000Evet1:1


Parlak araçlarla iletişim kurun
Adres:
253000, Chongde 5th Avenue, Gaotie yeni bölge, Dezhou, Shandong, çin.
Ücretsiz danışmanlığınızı alın
Parlak araçlar, parlak gelecek
Adres :
253000, Chongde 5th Avenue, Gaotie yeni bölge, Dezhou, Shandong, çin.
Hızlı bağlantılar
Şirket Ev CNC takım tutucular Videolar Parlak araçlar hakkında PSC adaptörüne BT 2025-parlak araçlar kataloğu DIN69880-VDI takım tutucuları Mors alet tutucular Sıkıcı alet tutucular PSC adaptörüne SK PSC adaptörüne HSK Uygun makine küçültmek, standart BMT takım tutucuları nelerdir? AG90 AGU Torna takım tutucu Torna takım tutucu Genişletilmiş shrink fit chucks stokta mevcuttur EMO Hannover-2023_copy20241023 Ürünler | Hidrolik pens yükseltildi ve yeni! UM somun ile ER Collet Chuck BBT ER Collet Chuck UM somun ile MTA Morse konik ER Collet Chuck ER Collet BT çekme damızlık B1A radyal, kısa, soğutucu UM somun ile DIN 69871 ER Collet Chuck UM somun ile ANSI B5.50 ER Collet Chuck DIN 69893 (ISO 12164) HSK-E ER Collet Chuck Mini somun ile DIN2080 ER Collet Chuck BMT OD torna takım tutucu HSK・T sıkıcı Bar tutucular NBT ER Collet Chuck Hex somun ile sürücü yuvaları olmadan ER Collet Chuck JIS B 6339 sıkıcı takım tutucu ER Nut-UM ER Spanner-Hex Alet tutucular burç B tipi MTB Morse konik ER Collet Chuck Sıkıcı Bar tutucu için azaltma kovanı AG90-ER11 SLA araç tutucuları nasıl kilitlenir Takım tutucu kaç sıkma yöntemi? SLA araç tutucunuz neden bu kadar pahalı? Parlak-araçları araç sahipleri maç diğer marka takım tutucu MOD-değişim evlat Takım tutucu Adatper yükleme süresi Isı makineleri işlem süreci Bu video bizim takım tutucu konik temizleme makinesi ayrıntılı bir açıklama 2 parça BT Slim Fit Chuck küçültmek BT küçültmek Chuck, 3 °, ince, Form A BT küçültmek Chuck, 3 °, ince, Form B BT küçültmek Chuck, 3 °, düzenli, Form A HSK-A Shrink Chuck, 3 °, düzenli, Form A BT küçültmek Chuck, 3 °, düzenli, Form B BT küçültmek Chuck, 3 °, düzenli, soğutucu BMT eksenel tahrikli kafa, DIN 1809 TG COLLET CHUCK teknik çizim Chuck uzatma küçültmek Yüz değirmeni tutucu Ürünler Statik ve tahrikli araçlar Teknik yardım Parlak araçlar araç tutucular Collet Sıkıcı alet tutucular aksesuarları DIN69880-VDI soğutucu takım tutucular 2025-BT araçları Uygun makine küçültmek, soğutma DIN69880-VDI takım tutucu Hex somun ile ER Collet Chuck BT40 SFS 06 160 3 ° CNC takım tutucular/ER takım tutucular ER pens seti SK çekme damızlık MTA mors konik OZ Collet Chuck Hex somun ile DIN 69871ER Collet Chuck Hex somun ile ANSI B5.50 ER Collet Chuck DIN 69893 (ISO 12164) HSK-E yüz değirmeni tutucular UM somun ile DIN2080 ER Collet Chuck BBT ER Hex somun ile Collet Chuck B2A radyal, kısa, soğutucu Dış ve bakan için HSK・T dönüm araçları SBH MS somun ile sürücü yuvaları olmadan ER Collet Chuck BMT radyal tahrikli kafa, DIN 1809 DIN 69871 sıkıcı takım tutucu ER somun-Hex ER anahtarı-Mini Alet tutucular burç J tipi Takım tutucu arabası standart MTB mors konik OZ Collet Chuck Sıkıcı Bar tutucu SL40-20 için azaltma kol 7/24 ve HSK konik alet tutucular için kilitleme cihazı AG90-ER16 AG90-ER20 AG90-ER25 AG90-ER32 AG90-ER40 AG90-BT30 AG90-BT40 AGB-BT40 AG90-BT50 AG90-ER16X2 AG90-ER20X2 AG90-ER25X2 AG90-ER32X2 AG90-ER40X2 AG90-BT40X2 AG90-F50 AG90-F63 AG90-F80 AG90-F100 AGU-ER16 AGU-ER20 AGU-ER25 AGU-ER32 AGU-BT50 Alet tutucularından parlamak ister misin? Plz temizlik cihazlarımızı seç Isı shrink makinesi işlem süreci Chuck uzatma ince küçültmek HSK-A Shrink Chuck, 3 °, ince, Form A HSK-A Shrink Chuck, 3 °, ince, Form B HSK-E Shrink Chuck, 3 °, düzenli, Form A HSK-A Shrink Chuck, 3 °, düzenli, Form B Avantajları Şirket Sıkıcı araçlar Son dakika haberleri! İşte robotik kol geliyor! Çekme damızlık BMT takım tutucu 2025-SK araçları Takım tutucu Adatper kol Uygun makine küçültmek, soğutma BT hidrolik ayna, standart Isıyla daralan araç sahiplerinin tanıtımı ISO 7388 çekme saplama MTA mors konik yüz değirmen tutucular Radyal tutucu formu B1 sağ, kısa Mini somun ile ER Collet Chuck Mini somun ile DIN 69871 ER Collet Chuck DIN 69893 (ISO 12164) HSK-E Weldon End Mill tutucular DIN2080 güç freze Chuck B3A radyal, kısa, soğutucu Harici ve kesme için HSK・T dönüm araçları SBV NBT SKS Collet Chuck UM somun ile sürücü yuvaları olmadan ER Collet Chuck BMT çift OD torna takım bloğu DIN 69893 HSK-A sıkıcı alet Holde Kauçuk mühürlü pens ER somun-Mini ER anahtarı-UM Alet tutucular burç C tipi Takım tutucu standı 7/24 konik alet tutucuları için kilitleme cihazı MTB mors konik yüz değirmen tutucular Takım tutucu temizleme cihazının çalışma süreci Mini somun ile BBT ER Collet Chuck ANSI B5.50 ER Collet Chuck, kısa Isı Shrink makinesi kırık bıçak sökücü Flanş takım tutucu Adatper kol ER Collet Chuck, modül BT Fit Chuck 4.5 ° küçültmek BT Slim Shrink Fit Chuck 3 ° HSK-E Shrink Chuck, 3 °, ince, Form A HSK-E Shrink Chuck, 3 °, ince, Form B HSK-F Shrink Chuck, 3 °, düzenli, Form A HSK-E Shrink Chuck, 3 °, düzenli, Form B VDI eksenel tahrikli kafa, DIN 1809 Dış ve bakan için dönüm araçları BBT Shrink Fit Chuck 4.5 ° Ürün yapısı Hizmetler Takım tutucu aksesuarları Takım tutucu temizleme cihazı 2025-kedi araçları Pens somunu ER COLLET CHUCK, kısa Uygun makine küçültmek, soğutma Standart Shrink Fit Chuck 4.5 ° Hidrolik ayna ürünü Güzel sıkıcı kafa Ikiz kesici kaba sıkıcı kafa, SP/SC Kedi çekme damızlık Radyal tutucu formu B2 sol, kısa Dış ve bakan için HSK・T dönüm araçları SBN DIN2080 OZ Collet Chuck Ikiz kesici kaba sıkıcı kafa, CC B4A radyal, kısa, soğutucu Dış ve bakan için HSK・T dönüm araçları SBT BMT yüz dönüm takım tutucu DIN 69893 HSK-F sıkıcı takım tutucu MTB Morse konik kombi kabuk değirmen sahipleri ER Nut-MS ER anahtarı-MS Alet tutucular burç DD tipi Takım tutucu dolabı HSK-F hidrolik ayna, standart Takım tutucu temizleme cihazı ER Collet Chuck, kısa DIN 69871 ER Collet Chuck, kısa BT Fit Chuck 4.5 ° küçültmek, soğutucu SK Slim Shrink Fit Chuck 3 ° HSK-F Shrink Chuck, 3 °, ince, Form A HSK-F Shrink Chuck, 3 °, ince, Form B VDI radyal tahrikli kafa, DIN 1809 Ürün yapısı Ürün yapısı Ürün yapısı Çözümler Anti titreşim Hidrolik ayna özellikleri 2025-HSK-A araçları Collet anahtarı Takım tutucu temizleme cihazı Ürünler | APU ve CPU matkap chuck takım tutucusunun derinlemesine analizi HSK-A hidrolik ayna, standart BBT güç freze Chuck Takım tutucu CNC araçları küçültmek Fit hidrolik ayna bitirme Parlak araçlar CNC aracı OTT çekme damızlık Kanca anahtarı Radyal tutucu formu B3 ters doğru, kısa DIN 69871 güç freze Chuck ANSI B5.50 güç freze Chuck DIN 69893 (ISO 12164) HSK-E mil testi çardak DIN2080 yüz değirmeni tutucular B1B4A radyal, kısa, soğutucu GER Collet Chuck BMT sıkıcı Bar takım tutucular JIS B 6339 köprü sıkıcı takım tutucu GER somunu Takım tutucular burç Z tipi ER mühürlü pens, sert Araç tutucu arabası TL Takım tutucu arabası TH Sıkıcı takım tutucu uzantısı Takım tutucular burç CV tipi Takım tutucu arabası TD MQL1 kanal küçültmek Fit Chuck SK küçültmek Fit Chuck 4.5 ° HSK-A Slim Shrink Fit Chuck 3 ° VDI eksenel tahrikli kafa, ofset, DIN 1809 Makine Fit takım tutucu küçültmek Hidrolik ayna standart 2025-HSK-T araçları Sıkıcı Bar azaltma kılıfı Hidrolik ayna özellikleri Sönümleme yüz değirmeni tutucu Parlak araçlar Fit küçültmek Parlak-araçları CNC takım tutucu paketi ISO çekme damızlık Top anahtarı Radyal tutucu formu B4 ters sol, kısa ER mühürlü somun OZ Collet Chuck DIN2080 kombi kabuk değirmeni tutucular B1B4AK radyal, kısa, soğutucu, kama sıkma tutucular HSK-E hidrolik ayna, standart BMT sıkıcı Bar tutucu, iç ve dış soğutucu MTA düz şaft dokunarak Chuck DIN 69871 köprü delme aracı Holde DIN 69893 köprü delme aracı Holde Sıkıcı takım tutucu redüktör BBT güç freze Chuck SK güç freze Chuck Kedi güç freze Chuck MQL2 kanal küçültmek fit Chuck SK küçültmek Fit Chuck 4.5 °, soğutucu HSK-E Slim Shrink Fit Chuck 3 ° Chuck uzatma soğutucu küçültmek VDI radyal tahrikli kafa, ofset, DIN 1809 Katalog Hidrolik ayna Güç freze Chuck 2025-NT araçları Alet tutucular burç Takım tutucu temizleme cihazları Sönümleme Tuming takım tutucu Slim Shrink Fit Chuck, 3 ° Mazak BT çekme saplama Radyal tutucu formu B5 sağ, uzun TG Collet Chuck DIN2080 Weldon End Mill tutucular B2B3A radyal, kısa, soğutucu BBT hidrolik ayna, standart HSK-T torna aleti DCLNR | DCLNL 95 °/80 ° Ikiz kesici kaba sıkıcı kafa ER mühürlü pens OZ somun Kare sıkıcı Bit ile BSB90 ° sıkıcı tutucu Kare sıkıcı Bit ile TQC 45 ° sıkıcı tutucu Mazak kedi çekme damızlık Kedi Shrink Fit Chuck 4.5 ° VDI eksenel tahrikli kafa, DIN 5480 Sss Satış ekibi 2025-GOST araçları Takım tutucu kilitleme cihazı Hidrolik takım tutucu çalışma prensibi MOD takım tutucu Entegre sönümleme bitirme sıkıcı takım tutucu Parlak araçlar CNC parçaları Köprü kaba sıkıcı kafa Radyal tutucu formu B6 sol, uzun Hassas vida Collet Chuck DIN 69871 OZ Collet Chuck Tang ile DIN2080 Morse konik adaptörü B2B3AK radyal, kısa, soğutucu, kama sıkma tutucular Ince küçültmek Chuck uzatma 3 ° SK hidrolik ayna, standart HSK-T torna aleti PCLNR | 95 nl 95 °/80 ° SKS somun Küçük ince sıkıcı kafa NBJ20 mikro sıkıcı Bar BH2084 sıkıcı araç kiti DCK5-FB50P mikro cila sıkıcı kiti DCK6-FB50P mikro cila sıkıcı kiti Kedi küçültmek Fit Chuck 4.5 °, soğutucu 2 parça BT Slim fit Chuck, soğutucu küçültmek VDI radyal tahrikli kafa, DIN 5480 HSK-A küçültmek Chuck, 3 °, düzenli, soğutucu Haberler Açı kafası 2025-VDI araçları JIS B 6339-BT takım tutucu Makine aletleri fuarı 2019 HSK soğutucu tüp Iki vücut küçültmek Fit Chuck özellikleri Modül Fit Chuck küçültmek Güç freze Chuck Fit Chuck küçültmek CNC takım tezgahı aksesuarları Radyal tutucu formu B7 ters doğru, uzun ANSI B5.50 TG Collet Chuck Çeki çubuğu ile DIN2080 Morse konik adaptörü B5AK radyal, uzun, soğutucu, kama sıkma tutucular HSK-T dönüm aracı DCMNN 50 °/80 °/50 ° ER dokunarak mühürlü pens BT hidrolik ayna, ince HSK-A Shrink Fit Chuck 4.5 ° VDI eksenel tahrikli kafa, ofset, DIN 5480 HSK-E küçültmek Chuck, 3 °, düzenli, soğutucu HSK-F küçültmek Chuck, 3 °, düzenli, soğutucu Bize ulaşın PSC PSC JIS B 6339-BBT takım tutucular 2018 yılında parlak araçlar sergileri Debriyaj tahrik halkası Fit Chuck çalışma prensibi küçültmek BBT SKS Collet Chuck Fit aracı küçültmek Düz şaft Collet Radyal tutucu formu B8 ters sol, uzun ANSI B5.50 hassas vida Collet Chuck DIN2080 takım tutucular adaptör kılıfı B6AK radyal, uzun, soğutucu, kama sıkma tutucular Fit ER Collet küçültmek HSK-T dönüm aracı PCMNN 50 °/80 °/50 ° SK hidrolik ayna, ince Güç freze Chuck HSK-A Shrink Fit Chuck 4.5 °, soğutucu VDI radyal tahrikli kafa, ofset, DIN 5480 Endüstri çözümleri JIS B 6339-NBT takım tutucular Er takım tutucularının çalışma doğruluğu nasıl Test edilir? 2017 yılında parlak araçlar sergileri 2025-BMT araçları Tespit vidası BBT yüz değirmeni tutucular Takım tutucular CNC aracı OZ Collet Eksenel tutucu formu C1 sağ DIN 69871 SKS Collet Chuck ANSI B5.50 yüz değirmeni tutucu inç DIN2080 matkap Chuck adaptörü B7AK radyal, uzun, soğutucu, kama sıkma tutucular Fit ER Collet uzantısını küçültün Kedi hidrolik ayna, ince HSK-E Shrink Fit Chuck 4.5 ° VDI eksenel tahrikli kafa, DIN 5482 Arama sonucu Müşteri çözümleri DIN 69871-SK takım tutucular Parlak araçlar yıllık seyahat 2025 tahrikli araçlar Sıkma kitleri 58 adet Shrink Fit takım tutucu yükleme işlem adımları aşağıdaki gibidir BBT kombi kabuk değirmeni tutucular SKS Collet Eksenel tutucu formu C2 sol Collet Chuck geri çekin DIN 69871 yüz değirmeni tutucular DIN2080 APU matkap Chuck tutucular C1C4A eksenel, soğutucu Chuck Set küçültmek HSK-T torna aleti PDJNR | PDJNL 55 °/93 ° HSK hidrolik ayna, ince HSK-F Shrink Fit Chuck 4.5 ° VDI radyal tahrikli kafa, DIN 5482 Site haritası Parlak araçlar 2016 yeni ürünler 2025-SHRINK araçları DIN 69871-ISO takım tutucular Balluff veri taşıyıcı CNC Fit Chuck küçültmek NDC Collet Eksenel tutucu formu C3 ters doğru SKS Collet Chuck DIN 69871 kombi kabuk değirmeni tutucular ANSI B5.50 End Mill tutucu Weldon DIN2080 hızlı değişim dokunarak Chuck C1C4AK eksenel, soğutucu, kama sıkma tutucular 2 adet ince küçültmek Chuck vücut HSK-T dönüm aracı DDNNN 62.5 °/55 °/62.5 ° C hidrolik ayna, ince VDI eksenel tahrikli kafa, ofset, DIN 5482 404 ANSI B5.50 SCAT/kedi araç sahipleri Parlak araçlar bahar gezisi Alet tutucular arabası 2025-HY araçları BBT Weldon End Mill tutucular Eksenel tutucu formu C4 ters sol DIN 69871 End Mill tutucu Weldon C2C3A eksenel, soğutucu 2 parça ince küçültmek Chuck uzatma Yüz değirmen tutucu inç Soğutucu kanalları ile ANSI B5.50 End Mill tutucu HSK-T dönüm aracı PDNNN 62.5 °/55 °/62.5 ° DC Collet BT hidrolik ayna, güç tasarımı VDI radyal tahrikli kafa, ofset, DIN 5482 Gizlilik politikası DIN 69893 (ISO 12164) HSK-A takım tutucular 2016 yılında parlak araçlar sergileri Tahrikli takım tutucu 2025-sıkıcı araçlar Yüz değirmeni tutucu Tang ile BBT Morse konik adaptörü Fit takım tutucuları giriş küçültmek Ayda yaklaşık 30,000 - 50,000 takım tutucu üretebiliriz Birden fazla koltuk formu D1 ile dikdörtgen tutucu Soğutucu kanalları ile DIN 69871 End Mill takım tutucu Tang ile ANSI B5.50 Morse konik adaptör Chuck küçültmek, 3 °, ince, Form A HSK-T dönüm aracı DDUNR | DDUNL 93 °/55 ° Cluth olmadan dokunarak pens, metrik SK hidrolik ayna, güç tasarımı 2 parça SK Slim Fit Chuck küçültmek VDI eksenel tahrikli kafa, TOEM Gönderme başarılı! 2025-takım tutucu aksesuarı Takım tezgahı tutucular Birden fazla koltuk ile dikdörtgen tutucu D2 ters Kombi kabuk değirmeni tutucu DIN 69871 End Mill tutucu düdük çentik ANSI B5.50 takım tutucular adaptör kılıfı UM somun ile DIN 69893 ER Collet Chuck D1D2A dikdörtgen tutucu, soğutucu Chuck küçültmek, 3 °, ince, Form B HSK-T torna aleti PDUNR | PDUNL 93 °/55 ° Cluth olmadan dokunarak pens, inç HSK hidrolik ayna, güç tasarımı VDI radyal tahrikli kafa, TOEM Taggg 2025-M araçları Tıbbi cihaz üretiminde freze aleti tutucular: hayati bir bileşen 2025-kesiciler 2025-Anti titreşim 2025-MOD araçları BBT takım tutucular adaptör kılıfı CNC takım freze/torna Cluth, metrik ile dokunarak pens Indeksli Insert matkap formu E1 için sıkıcı tutucu Tang ile DIN 69871 Morse konik adaptör Hex somun ile DIN 69893 ER Collet Chuck ARALU takım tutucuları, soğutucu Chuck küçültmek, 3 °, düzenli, Form A ANSI B5.50 matkap Chuck adaptörü HSK-T torna aleti DSBNR | DSBNL 90 °/75 ° BT hidrolik ayna, kısa VDI eksenel tahrikli kafa, ofset, TOEM Arama sonucu ürünleri Ana katalog Ağaç işleminden metal işleme: Collet Chuck holders'ın çok yönlülüğü Sıkıcı tutucu formu E2 Çeki çubuğu ile DIN 69871 Morse konik adaptörü ANSI B5.50 APU matkap Chuck tutucular Mini somun ile DIN 69893 ER Collet Chuck ALARU takım tutucuları, soğutucu Chuck küçültmek, 3 °, düzenli, B formu Freze tutucu HSK-T torna aleti PSBNR | PSBNL 90 °/75 ° SK hidrolik ayna, kısa VDI radyal tahrikli kafa, ofset, TOEM Arama sonucu diğerleri Alt sınıf kataloğu Kaldırma elektroniği: PCB imalatında CNC kesici takım tutucular Hidrolik takım tutucu Cluth, inç ile dokunarak pens Sıkıcı Bar tutucu formu E2S Soğutucu kanalları ile freze tutucu DIN 69871 takım tutucular adaptör kılıfı ANSI B5.50 hassas matkap Chuck tutucular DIN 69893 HSK-A güç Chuck Chuck küçültmek, 3 °, düzenli, soğutucu HSK-T torna aleti DSSNR | DSSNL 45 °/90 ° BT hidrolik ayna, kalıp için VDI eksenel tahrikli kafa, kademeli HAAS CNC takım tutucu üreticileri: hassas ve kaliteli tıbbi cihaz üretimini geliştirmek BBT hassas matkap Chuck tutucular Parlak-araçları Fit takım tutucular küçültmek OZ Collet Chuck formu E3 End Mill tutucu düdük çentik ANSI B5.50 hızlı değişim dokunarak Chuck DIN 69871 matkap Chuck adaptörü Küçültmek Chuck, kavisli HSK-T torna aleti PSSNR | PSSNL 45 °/90 ° SK hidrolik ayna, kalıp için HSK güç freze Chuck VDI radyal tahrikli kafa, kademeli HAAS Shrink Chuck teknolojisi ile verimliliği artırma Tang ile Morse konik adaptör DIN 69871 APU matkap Chuck tutucular ANSI B5.50 vidalı freze tutucu DIN 69893 OZ Collet Chuck ER Collet Chuck formu E4 HSK-T torna aleti DVPNR | DVPNL 117.5 °/35 ° HSK hidrolik ayna, kalıp için MQL1 kanal uzunluğu ayar vidaları BT küçültmek Chuck, kavisli VDI eksenel tahrikli kafa, ofset, kademeli HAAS Hidrolik takım tutucu hakkında Çeki demiri ile Morse konik adaptör DIN 69871 hassas matkap Chuck tutucular ANSI B5.50 vidalı freze tutucu, düz DIN 69893 TG Collet Chuck HSK-T dönüm aracı DVUNR | DVUNL 93 °/35 ° SK hidrolik ayna, öğütme için Çift sıkıcı Bar tutucu, sağ MQL1 kanal soğutucu tedarik seti 2 parça SK ince küçültmek fit Chuck, soğutucu VDI radyal tahrikli kafa, ofset, kademeli HAAS CNC hassas Shrink Chucks rolü Takım tutucu adaptör kılıfı BBT Runout ayarlanabilir flanş adaptörü DIN 69871 hızlı değişim dokunarak Chuck ANSI B5.50 Runout ayarlanabilir flanş adaptörü DIN 69893 hassas vida Collet Chuck HSK-T dönüm aracı DVVNN 72.5 °/35 °/72.5 ° BMT tahrikli kafa, DIN 1809 MTB hidrolik ayna Çift sıkıcı Bar tutucu, sol MQL2 kanal uzunluğu ayar vidaları Yüksek performanslı işleme Chucks küçültmek Mors konik adaptör formu F Matkap Chuck adaptörü DIN 69871 vidalı freze tutucu ANSI B5.50 UM ayarlanabilir takım tutucular DIN 69893 çekme geri Collet Chuck HSK-T dönüm aracı DWLNR | DWLNL 95 °/80 ° VDI tahrikli kafa, DIN 1809 MQL2 kanal soğutucu tedarik seti Hidrolik ayna, modül HSK-A Shrink Chuck, kavisli Shrink Chucks avantajlarını keşfetmek APU matkap Chuck tutucu Shrink takım tutucular nedir? Dikdörtgen boş Form A1 DIN 69871 vidalı freze tutucu, düz ATC kol için ANSI B5.50 hizalama aracı DIN 69893 SKS Collet Chuck HSK-T torna aleti PWLNR | PWLNL 95 °/80 ° VDI tahrikli kafa, DIN 5480 Hidrolik pens, mühürlü Fit Chuck, modül küçültmek HSK-E Shrink Chuck, kavisli Başarı için küçülen: havacılık üretiminde Chucks küçültmek Hassas matkap Chuck tutucu Daralan takım tutucu doğruluk muayene Yuvarlak boş Form A2 DIN 69871 çalışan ayarlanabilir flanş adaptörü ANSI B5.50 sıkıcı Bar boş DIN 69893 yüz değirmeni tutucu Hidrolik mühürlü pens VDI tahrikli kafa, DIN 5482 HSK-F Shrink Chuck, kavisli Sıkı toleransların ötesinde: havacılık mühendisliğinde Fit pensetler küçültmek BBT mili Test çardak Fit takım tutucu küçültmek Takım tutucuları kesme yüksekliği ayarlanabilir Hızlı değişim dokunarak Chuck DIN 69871 UM ayarlanabilir takım tutucular ANSI B5.50 mil testi çardak DIN 69893 yüz değirmeni tutucular HSK-T dönüm aracı DDQNR | DDQNL 107.5 °/55 °, uzun VDI tahrikli kafa, TOEM BARUFFALDI Soğutma kanalları ile hidrolik pens Fit pensetler küçültmek: otomotiv üretim hassas devrim Vidalı freze tutucu Fit Chuck Shrink Fit takım tutucular küçültmek Takım tutucuları kesme yüksekliği ayarlanabilir DIN 69871 sıkıcı Bar boş DIN 69893 kombi kabuk değirmeni tutucular HSK-T torna aleti PDQNR | PDQNL 107.5 °/55 °, uzun VDI tahrikli kafa, kademeli HAAS ATC kol için ANSI B5.50 hizalama aracı Fit pensetler küçültmek: hassas işleme devrim Hidrolik Chuck takım tutucu Takım tutucuları doğru yüksekliği ayarlanabilir DIN 69871 mil testi çardak DIN 69893 End Mill tutucu Weldon Vidalı freze tutucular, düz HSK-T torna aleti SCLCR | SCLCL 95 °/80 ° 2 adet HSK-A Slim Fit Chuck küçültmek Inşaat ve altyapıda Fit penseleri küçültmek Runout ayarlanabilir flanş adaptörü Fit aracı Holding küçültmek Takım tutucuları kesme sol yüksekliği ayarlanabilir ATC kol için DIN 69871 hizalama aracı Soğutucu kanalları ile DIN 69893 End Mill tutucu HSK-T dönüm aracı SCMCN 50 °/80 °/50 ° UM ayarlanabilir DIN 69893 End Mill tutucu düdük çentik HSK-T torna aleti SDHCR | SDHCL 107.5 °/55 ° ATC kol için SK hizalama aracı Isıyla daralan alet tutucularının sınıflandırılması CMM muayene dinamik dengeleme Koruma fişi formu Z2 ATC kol için hizalama aracı HSK-T dönüm aracı SDNCN 62.5 °/55 °/62.5 ° Hidrolik ayna, modül IMTS 2024 Sıkıcı Bar boş Çeki çubuğu ile DIN 69893 Morse konik adaptörü HSK-T torna aleti SDJCR | SDJCL 93 °/55 ° Fit Chuck küçültmek Isı Shrink takım tutucularının prensibi ve avantajları Mil testi çardak DIN 69893 takım tutucular adaptör kılıfı HSK-T torna aleti SDUCR | SDUCL 93 °/55 ° Hidrolik ayna Hidrolik tutucuların performansı ve uygulaması DIN 69893 APU matkap Chuck tutucular HSK-T torna aleti SSBCR | SSBCL 75 °/90 ° ATC kol için BT hizalama aracı ER Collet Chuck Parlak aletler BMT takım tutucuları özellikleri ve türleri Hidrolik takım tutucu işleme süreci DIN 69893 hassas matkap Chuck tutucular HSK-T torna aleti SSSCR | SSSCL 45 °/90 ° 2 adet HSK-A Slim fit Chuck, soğutucu küçültmek Takım tutucu temizleme cihazı Freze tutucu Torna merkezi ve tahrikli takım tutucular Yüksek performanslı tahrikli takım tutucu nasıl ER Collet Chuck Parlak araçlar Fit Chuck küçültmek DIN 69893 hızlı değişim dokunarak Chuck HSK-T torna aleti SVPBR | SVPBL | SVPCR | SVPCL 117.5 °/35 ° Takım tutucu HSK E50 takım tutucusunun çalışma prensibi HSK takım tutucuları türleri Takım tutucu Adatper kol ER Collet DIN 69893 vidalı freze tutucu HSK-T torna aleti SVUBR | SVUBL | SVUCR | SVUCL 93 °/35 ° Güç freze aynaları avantajları ve uygulamaları analizi Uygun makineleri küçültmek ER takım tutucular nasıl işlenir ve kullanılır? DIN 69893 vidalı freze tutucu, düz HSK-T torna aleti SVVBN | SVVCN 72.5 °/35 °/72.5 ° Shrink Fit toplamanın avantajları ve uygulamaları DIN 69893 çalışan ayarlanabilir flanş adaptörü HSK-T dönüm aracı SVJBR | SVJBL | SVJCR | SVJCL 93 °/35 ° Yeni başlayanların bilmesi gereken tahrik aracı tutucularının özellikleri ve işlevleri DIN 69893 UM ayarlanabilir takım tutucu HSK-T dönüm aracı uzun SDQCR | SDQCL 107.5 °/55 ° Hidrolik ayna özellikleri nelerdir? Hidrolik ayna çalışma prensibi nasıl çalışır? ATC kol için DIN 69893 hizalama aracı HSK-T dönüm aracı uzun SVQCR | SVQCL 107.5 °/55 ° Hidrolik pens takma uygulama Taboos DIN 69893 sıkıcı Bar boş 2 adet HSK-E Slim Fit Chuck küçültmek Shrink Fit takım tutucular nedir? DIN 69893 mil testi çardak 2 adet HSK-F Slim Fit Chuck küçültmek Isı Shrink takım tutucularının yenilikçi tasarımı ve uygulaması Kalıp işleme ısı Shrink tutucular uygulaması CNC tutucu seçimi DIN 69893 (ISO 12164) HSK-E takım tutucular CNC tornalama VDI takım tutucuları kullanmanın avantajları CNC işleme aracı tutucu hidrolik ayna DIN 69893 (ISO 12164) HSK-F takım tutucular Hidrolik tutucuların uygulama senaryoları DIN69893 (ISO12164-1)-HSK-T takım tutucular Hidrolik tutucular üzerindeki bilgi noktalarının özeti Fit Chuck parlak araçları küçültmek DIN2080-NT takım tutucuları Hidrolik tutucu: üretim için yüksek hassasiyetli bir araç Parlak-araçları CNC makine merkezi için Fit Collet takım tutucu küçültmek GOST 25827-93 takım tutucular CNC tutucular ile ilgili bilgi Hidrolik freze Chuck Farklı araç sahiplerinin performansının karşılaştırılması Shrink Fit Chuck hangi ısı Shrink aracı kolları gibi görünüyor biliyor musunuz? GOST 25827-93 ER Collet Chuck BBT takım tutucu yapısal tasarım ve CNC takım tezgahlarında uygulaması GOST 25827-93 güç freze Chuck Isı Shrink takım tutucu için güvenli çalışma ve bakım prosedürleri GOST güç freze Chuck İplik takım tutucu ve hidrolik tutucu farkı ve uygulama analizi Isıyla daralan alet tutucuların sınıflandırmaları nelerdir? BT ve BBT takım tutucuları arasındaki fark Daralan alet tutucularının Fit Chuck sınıflandırmasını küçültmek GOST 25827-93 yüz değirmeni tutucular Hidrolik tutucunun çalışma prensibi ve güvenli çalışması GOST 25827-93 kombi kabuk değirmeni tutucular Isı Shrink takım tutucularının prensibi ve avantajları DIN 69893 (ISO 12164) HSK-F ER Collet Chuck GOST 25827-93 Weldon End Mill tutucular HSK takım tutucusu kullanırken işleme güvenliği nasıl sağlanır? DIN 69893 (ISO 12164) HSK-F OZ Collet Chuck Tang ile GOST 25827-93 mors konik adaptör HSK takım tutucularının yapısı ve avantajları DIN 69893 (ISO 12164) HSK-F yüz değirmeni tutucular Çeki demiri ile GOST 25827-93 Morse konik adaptör HSK takım tutucu: verimli işleme için gizli silah DIN 69893 (ISO 12164) HSK-F Weldon End Mill tutucular GOST 25827-93 APU matkap Chuck tutucular Isı Shrink takım tutucularının Minimum sıkıştırma uzunluğu nedir? Chuck aracı tutucular makine aracı aksesuarları küçültmek DIN 69893 (ISO 12164) Tang ile HSK-F Morse konik adaptör GOST 25827-93 hızlı değişim dokunarak Chuck VDI sout'un işlevi ve önemi Isı Shrink takım tutucular nasıl çalışır? DIN 69893 (ISO 12164) HSK-F hassas matkap Chuck tutucular Hidrolik takım tutucu: yüksek hassasiyetli işleme için mükemmel bir seçim DIN 69893 (ISO 12164) HSK-F sıkıcı Bar boş Parlak araçlar: takım tutucu üretiminde bir lider DIN 69893 (ISO 12164) HSK-F mil testi çardak HSK soğutucu tüplerinin standart ve işlevi CIMT2025 çin uluslararası makine gösterisi BT tutucu ve SK takım tutucu arasındaki farklar Isı Shrink takım tutucusunun avantajları ve ilkeleri SK takım tutucusunun özellikleri ve avantajları DIN 69880 VDI takım tutucu: yüksek hassasiyetli işleme için Ideal seçim HSK takım tutucu tasarımı vs DIN 69871 takım tutucu: gerçek fark nedir? EMO 2025 stand No. Hall4, D58 CNC ömrünü kolaylaştırmak için hidrolik Chucks nasıl çalışır CNC uygulamaları için farklı HSK takım tutucu türleri nasıl tanımlanır Hizmetler
Parlak araçlar, parlak gelecek
Skype: :
Sdjinjie101
Adres :
253000, Chongde 5th Avenue, Gaotie yeni bölge, Dezhou, Shandong, çin.